Задать свой вопрос   *более 50 000 пользователей получили ответ на «Решим всё»

Задача 80196 25) В цепи, изображённой на рисунке,...

Условие

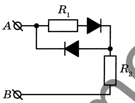
25) В цепи, изображённой на рисунке, сопротивление диода в прямом направлении пренебрежимо мало, а в обратном — многократно превышает сопротивление резисторов. При подключении к точке а положительного полюса, а к точке В отрицательного полюса батареи с ЭДС 12 В и пренебрежимо малым внутренним сопротивлением потребляемая в цепи мощность равна 4,8 Вт. При изменении полярности подключения батареи потребляемая в цепи мощность становится равной 7,2 Вт. Укажите, как течёт ток через диоды и резисторы в обоих случаях, и определите сопротивление резисторов R1 и R2.

физика 10-11 класс 276

Решение

ЭДС батареи U = 12 В
Внутреннее сопротивление r ≈ 0

1. Определяем эквивалентные сопротивления цепи из условия
• при полярности А «+», B «–» (мощность 4,8 Вт)
Rэкв1 = U² / P1 = 12² / 4,8 = 144 / 4,8 = 30 Ω
• при обратной полярности (мощность 7,2 Вт)
Rэкв2 = U² / P2 = 12² / 7,2 = 144 / 7,2 = 20 Ω

2. Разбираемся, какие ветви цепи оказываются включёнными.

На рисунке от точки А до точки D (узел, к которому подключён R2) ведут две параллельные ветви:
— верхняя: А – R1 – (верхний диод) – D ;
— нижняя: А – (нижний диод) – D .
К узлу D подсоединён резистор R2, нижний его вывод соединён с точкой B.

Благодаря противоположной ориентации диодов ток при данных полярностях может идти только по одной из этих ветвей:

• А «+», B «–».
Верхний диод открывается, нижний – заперт.
Ток: А → R1 → верхний диод → узел D → R2 → B.
В цепь последовательно включены R1 и R2.
Поэтому Rэкв1 = R1 + R2 = 30 Ω. (1)

• А «–», B «+» (полярность поменялась).
Теперь открывается нижний диод, верхний заперт.
Ток: B (+) → R2 → узел D → нижний диод → А (–).
В цепи остаётся только R2, так что (2)
Rэкв2 = R2 = 20 Ω.

3. Из (1) и (2) сразу получаем сопротивления резисторов:
R2 = 20 Ω, R1 = Rэкв1 – R2 = 30 Ω – 20 Ω = 10 Ω.

4. Картина токов

Полярность А «+», B «–» :
I1 = U / (R1 + R2) = 12 В / 30 Ω = 0,40 А.
Ток идёт через R1, верхний диод, R2; нижний диод тока не пропускает.

Полярность А «–», B «+» :
I2 = U / R2 = 12 В / 20 Ω = 0,60 А.
Ток идёт через R2 и нижний диод; верхний диод закрыт.

Ответ:
R1 = 10 Ω, R2 = 20 Ω.
При А «+», B «–» ток течёт по цепи А → R1 → верхний диод → R2 → B;
при обратной полярности – по цепи B → R2 → нижний диод → А.

Написать комментарий

Меню

Присоединяйся в ВК