Задать свой вопрос   *более 50 000 пользователей получили ответ на «Решим всё»

Задача 80139 ...

Условие

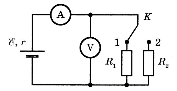
15) В схеме, показанной на рисунке, R₁ < R₂. Что произойдёт с показаниями амперметра и вольтметра после переключения ключа K из положения 1 в положение 2?

Для каждой величины определите соответствующий характер её изменения:
1) увеличится
2) уменьшится
3) не изменится

Запишите в таблицу выбранные цифры для каждой физической величины. Цифры в ответе могут повторяться.

Показания амперметра | Показания вольтметра

физика 10-11 класс 918

Решение

Переход ключа K с положения 1 на положение 2 заменяет сопротивление R₁ (меньшее) на R₂ (большее).

1. Ток цепи (показания амперметра)
 I = ε / (R + r).
После переключения R увеличивается: R₂ > R₁ ⇒ знаменатель растёт ⇒ I уменьшается.
Следовательно, показания амперметра уменьшатся.

2. Напряжение на внешнем сопротивлении (показания вольтметра)
 U = I · R = ε · R / (R + r).
Функция f(R) = R/(R + r) возрастает с ростом R ( df/dR = r/(R + r)² > 0).
Поэтому при переходе от R₁ к R₂ напряжение на внешнем сопротивлении увеличится, и показания вольтметра возрастут.

Ответ:
Показания амперметра – 2 (уменьшится)
Показания вольтметра – 1 (увеличится)

Запись в таблицу: 2 | 1

Написать комментарий

Меню

Присоединяйся в ВК